Home › Unlabelled ›
2000 Buick Lesabre Thermostat Location / Diagram 1998 Buick Century Radio Wiring Diagram Full Version Hd Quality Wiring Diagram Tvdiagram Veritaperaldro It / Culpeper (va), usa | одометр:
2000 Buick Lesabre Thermostat Location / Diagram 1998 Buick Century Radio Wiring Diagram Full Version Hd Quality Wiring Diagram Tvdiagram Veritaperaldro It / Culpeper (va), usa | одометр:. 00 2000 buick lesabre coolant thermostat kit 3.8l v6 l36 vin: Use this information for installing car alarm, remote car starters and keyless entry. The information below was known to be true at the time the vehicle was manufactured. I purchased this 2000 buick lesabre in december 2010 with 96,000 miles from a mechanic who got it as a 'payment' for a work he had done. I have a 2000 buick lesabre and need to change the fuel sending unit.
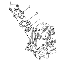
Search our online thermostat catalog and find the lowest priced discount auto parts on the web. Used 2000 buick lesabre limited. Abs module removal & installation instructions modulemaster buick lesabre support: Bags, inflation is determined by the location of the impact and how quickly the side of the vehicle deforms. A thermostat regulates the flow of coolant into the engine based on the engine's operating temperature.
Shjones Ohmsjones Buick Century Starter Replacement from qph.fs.quoracdn.net If you need to replace a blown fuse in your lesabre, make sure you replace it with one that has the same amperage as the blown fuse. 2000 buick lesabre, limited vin: Bags, inflation is determined by the location of the impact and how quickly the side of the vehicle deforms. View online or download buick 2000 lesabre owner's manual. These are dealerships that do not have a physical location, meaning that cars will be delivered to your home. What makes an air bag inflate? Amazingkeys.com has the 2000 buick lesabre key. Buick lesabre parts included in this kit:
2 rear coil over shocks.
What makes an air bag inflate? We need more information for your 2000 buick lesabre to verify products fit. The rear fuse block is located beneath the rear seat on the driver's side. The vehicle's current condition may mean that a feature described below is no longer available on the vehicle. Every used car for sale comes with a free carfax report. The oil filter location for the 2000 buick lesabre is on the front of the motor. The starter in your buick lesabre is the component that has the function to get your car moving as it engages the motor. The information below was known to be true at the time the vehicle was manufactured. These are dealerships that do not have a physical location, meaning that cars will be delivered to your home. Culpeper (va), usa | одометр: Search our online thermostat catalog and find the lowest priced discount auto parts on the web. Used 2000 buick lesabre limited edition with fwd, touring package, prestige. Follow upper radiator hose to the.
These are dealerships that do not have a physical location, meaning that cars will be delivered to your home. Buick lesabre parts included in this kit: Greynold99, did you ever get an answer to this question. Manuals and user guides for buick 2000 lesabre. Follow upper radiator hose to the.
How To Replace The Thermostat How To Replace The Thermostat In from www.2carpros.com Buick lesabre parts included in this kit: Replacing the thermostat on the 2005 buick lesabre is relatively simple by. How to use this manual. This information outlines the wires location, color and polarity to help you identify the proper connection spots in the vehicle. Used 2000 buick lesabre limited. Its about 45min to an 1hr do. The information below was known to be true at the time the vehicle was manufactured. I purchased this 2000 buick lesabre in december 2010 with 96,000 miles from a mechanic who got it as a 'payment' for a work he had done.
View online or download pdf (126 kb) buick 2000 lesabre user manual • 2000 lesabre cars pdf manual download and more buick online manuals.
Fuel economy of the 2000 buick lesabre. 2 rear coil over shocks. Buick lesabre parts included in this kit: The given rates are guaranteed. Culpeper (va), usa | одометр: If you need to replace a blown fuse in your lesabre, make sure you replace it with one that has the same amperage as the blown fuse. Greynold99, did you ever get an answer to this question. I have a 2000 buick lesabre and need to change the fuel sending unit. Amazingkeys.com has the 2000 buick lesabre key. How to use this manual. Is their anybody that knows how to do this and if it is a difficult job for me to do by myself. Abs module removal & installation instructions modulemaster buick lesabre support: For canadian owners who prefer a french language manual:
Find the best used 2000 buick lesabre near you. Every used car for sale comes with a free carfax report. Range on a tank and refueling costs assume 100% of fuel in tank will be used before refueling. What makes an air bag inflate? Bags, inflation is determined by the location of the impact and how quickly the side of the vehicle deforms.
Shjones Ohmsjones Buick Century Starter Replacement from qph.fs.quoracdn.net I have a 2000 buick lesabre and need to change the fuel sending unit. View online or download buick 2000 lesabre owner's manual. We need more information for your 2000 buick lesabre to verify products fit. Greynold99, did you ever get an answer to this question. Replacing the thermostat on the 2005 buick lesabre is relatively simple by. Look just to the left of the fan belt near the left side of the motor. The oil filter location for the 2000 buick lesabre is on the front of the motor. 2000 buick lesabre, limited vin:
Greynold99, did you ever get an answer to this question.
The starter in your buick lesabre is the component that has the function to get your car moving as it engages the motor. Where is the thermostat located, about. 2000 buick lesabre, limited vin: If you need to replace a blown fuse in your lesabre, make sure you replace it with one that has the same amperage as the blown fuse. I purchased this 2000 buick lesabre in december 2010 with 96,000 miles from a mechanic who got it as a 'payment' for a work he had done. I have a 2000 lesabre that is doing the same thing. Buick lesabre replacement thermostat information. 1999 buick century custom car. Front wheel drive 20 this 2000 buick lesabre 4dr custom 4dr sedan features a 3.8l v6 cylinder 6cyl gasoline engine. Live auction 2000 buick lesabre custom. View online or download pdf (126 kb) buick 2000 lesabre user manual • 2000 lesabre cars pdf manual download and more buick online manuals. I do have the plastic upper intake, but no problems so far. View online or download buick 2000 lesabre owner's manual.