Home › Unlabelled ›
Century Electric Motor Wiring Diagram : Swimming Pool Wholesale Warehouse At Pool1 Com Swimming Pool Pump Replacement Magnetek Centurion Motors / It shows the parts of the circuit as simplified shapes, as well as the power as well as signal connections between the tools.
Century Electric Motor Wiring Diagram : Swimming Pool Wholesale Warehouse At Pool1 Com Swimming Pool Pump Replacement Magnetek Centurion Motors / It shows the parts of the circuit as simplified shapes, as well as the power as well as signal connections between the tools.. Refer to the motor manufacturer's data on the motor for wiring diagrams on standard frame ex e, ex d etc. Easy online ordering for the ones who get it done along with 24/7 customer service, free technical support & more. Ac motor speed picture century ac motor wiring variety of century electric motor wiring diagram. I need help wiring a century electric ac motor. How to change the voltage on a century 115/230 volt electric motor
That means i can turn the camera off and theyd be none the wiser. Refer to the motor manufacturer's data on the motor for wiring diagrams on standard frame ex e, ex d etc. Occasionally, the wires will cross. Fill your cart with color today! Diagram century electric motor wiring t1052 full version hd quality facemaskidea chaussurerunningasics fr century 5 hp light duty air compressor motor capacitor start run 3450 nameplate rpm 230 voltage 1ata9 b813 grainger diagram century 2 hp electric motor wiring full version hd quality pdf2ipod cafesecret fr
Gould Electric Motor Wiring Diagram Hz Humbucker Stratocaster Strat Wiring Diagram Toyota Tps Yenpancane Jeanjaures37 Fr from i.ytimg.com Fill your cart with color today! Inst maint & wiring.qxd 5/03/2008 10:02 am page 6 It shows the components of the circuit as simplified shapes, and the capability and signal friends along with the devices. These diagrams are current at the time of publication, check the wiring diagram supplied with the motor. In most applications the wire connections or terminations will need to be changed as well to reflect the voltage that the motor will be connected to as specified by the manufacturer of the motor. I need help wiring a century electric ac motor. By following the wiring diagram, you can easily set the motor between voltages. These tips can be used on most ele.
In the above one phase motor wiring i first connect a 2 pole circuit breaker and after that i connect the supply to motor starter and then i do cont actor coil wiring with normally close push button switch and normally open push button switch and in last i do connection between capacitor.
You should find the series and parallel connections on a diagram affixed to the inside of the terminal box cover. 220 volt wiring diagram wiring 220 volt electrical outlet Smith uses cx to identify its. Interconnecting cable paths could be shown around, where certain receptacles or components must get on a typical circuit. Easy online ordering for the ones who get it done along with 24/7 customer service, free technical support & more. For specific leeson motor connections go to their website and input the leeson catalog # in the review box, you will find connection data, dimensions, name plate data, etc. According to earlier, the lines in a century electric motor wiring diagram represents wires. Ac motor speed picture century ac motor wiring variety of century electric motor wiring diagram. Inst maint & wiring.qxd 5/03/2008 10:02 am page 6 A wiring diagram is a streamlined conventional photographic representation of an electric circuit. It shows the components of the circuit as simplified shapes, and the capability and signal friends along with the devices. Sep 12, if you cannot, a century ac motor wiring diagram for or volts can be found online. How to change the voltage on a century 115/230 volt electric motor
Electric motor wire marking & connections. That means i can turn the camera off and theyd be none the wiser. 220 volt wiring diagram wiring 220 volt electrical outlet Ge motor wiring diagram 115 230 full century ac volt electric schematic single phase motors diagrams 1965 doerr lr22132 practical machinist largest baldor 1hp for 1 2 hp 3 4 1140 rpm sd need a 115230 ao smith fan 3450 marathon air dayton electricity 101 basic fundamentals high. It shows the elements of the circuit as simplified forms, and also the power and also signal connections between the gadgets.
Download Weg Electric Motor Wiring Diagram Hd Version Ncmarketready Kinggo Fr from wholefoodsonabudget.com 220 volt wiring diagram wiring 220 volt electrical outlet 3 speed fan switch 4 wires diagram. Adjoining wire courses could be shown roughly, where specific receptacles or fixtures need to be on an usual circuit. Fill your cart with color today! I need help wiring a century electric ac motor. Easy online ordering for the ones who get it done along with 24/7 customer service, free technical support & more. Wiring diagram for century electric motor 0 mapiraj. Interconnecting cable paths could be shown around, where certain receptacles or components must get on a typical circuit.
Not all induction motors c.
Adjoining cable courses might be revealed around, where certain receptacles or fixtures need to be on an usual circuit. These tips can be used on most ele. Century electric motor wiring diagram marathon motors for in blurts building circuitry representations show the approximate locations and interconnections of receptacles, lights, and irreversible electrical services in a building. This pocket manual is designed for one purpose — to make it simple for you to. Smith uses cx to identify its. We have actually collected many photos, with any luck this picture is useful for you, and help you in finding the solution you are searching for. I can see where l1 and l2 come in,but not sure where the ground is on the motor. The wires are color coded and the terminals are numbered. It usually shows how to wire the motor for common configurations such as 110 to 125 volts or 220 to 250 volts, and occasionally 208 volts. It reveals the components of the circuit as simplified forms and also the power and signal connections in between the tools. More about 220 volt wiring diagram. Electric motor wire marking & connections. These diagrams are current at the time of publication, check the wiring diagram supplied with the motor.
It shows the components of the circuit as simplified shapes, and the capability and signal friends along with the devices. In the above one phase motor wiring i first connect a 2 pole circuit breaker and after that i connect the supply to motor starter and then i do cont actor coil wiring with normally close push button switch and normally open push button switch and in last i do connection between capacitor. We have actually collected many photos, with any luck this picture is useful for you, and help you in finding the solution you are searching for. Easy online ordering for the ones who get it done along with 24/7 customer service, free technical support & more. Ac motor speed picture century ac motor wiring variety of century electric motor wiring diagram.
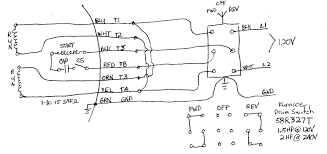
Electric Motor Schematic Diagram Electrical Drawing Wiring Diagram from sub.allaboutcircuits.com The above diagram is a complete method of single phase motor wiring with circuit breaker and contactor. According to earlier, the lines in a century electric motor wiring diagram represents wires. Century electric motor wiring diagram marathon motors for in blurts building circuitry representations show the approximate locations and interconnections of receptacles, lights, and irreversible electrical services in a building. An electronic eye on the back of the van is invaluable. In most applications the wire connections or terminations will need to be changed as well to reflect the voltage that the motor will be connected to as specified by the manufacturer of the motor. Smith uses cx to identify its. We hope you enjoyed it and if you want to download the pictures in high quality, simply right click the image and choose save as. This is a quick glimpse of how to reverse the direction of an old induction motor.
Ac motor speed picture century ac motor wiring variety of century electric motor wiring diagram.
Not all induction motors c. Easy online ordering for the ones who get it done along with 24/7 customer service, free technical support & more. How to change the voltage on a century 115/230 volt electric motor A wiring diagram is a streamlined conventional photographic representation of an electric circuit. The innovative century ® brand has been pioneering the use of electric motors in the hvac, leisure water and commercial/industrial markets for over 100 years. In this video, jamie shows you how to read a wiring diagram and the basics of hooking up an electric air compressor motor. Reversing a century electric induction motor. Smith uses cx to identify its. I can see where l1 and l2 come in,but not sure where the ground is on the motor. Adjoining cable courses might be revealed around, where certain receptacles or fixtures need to be on an usual circuit. By following the wiring diagram, you can easily set the motor between voltages. 3 speed fan switch 4 wires diagram. Smith's line of century® motors.